kawasaki

Kawasaki Js550 Starter Motor

Js550 Engine Removal Youtube
www.youtube.com

Oem Starter Motor Kawasaki Jet Ski Js 550 A Js550 A5 A8
goparts.eu

Kawasaki Js550
www.pwctoday.com

1988 Kawasaki Jst Ski 550 Js550 A7 Starter Motor Babbitts
www.kawasakipartshouse.com

Kawasaki Starter Motor Suits Js400 Js440 Js550 And 550sx For Sale
www.ebay.com.au

Oem Starter Motor Kawasaki All Terrain Kaf 300 C Mule 550
goparts.eu

Oem Generator Kawasaki Jet Ski Js 550 A Js550 A5 A8
goparts.eu

Jet Ski Wikipedia
en.wikipedia.org

Starter Solenoid Relay For 550 650 750 800 900 Kawasaki Jet Ski
www.dbelectrical.com

Kawasaki Gpz 550 Gpz550 Zx550a Starter Motor Boonstra Parts
www.boonstraparts.com

Kawasaki Js550 Rev Limiter Removal Youtube
www.youtube.com

1983 Kawasaki Js550 Starting Issue
www.pwctoday.com

Jetski Starters Starter Kawasaki 1976 1995 Js400 Js440 Js550
www.sterndrivereplacement.com

Kawasaki Jet Ski Js550 Js440 Generator Starter Snap Ring Nos
www.itfip.edu.co

Amazon Com New Starter Fits Kawasaki Js440 Js550 440 550 Jet Ski
www.amazon.com

Kawasaki 592055 517 Starter Motor O Ring Js440 Js550 Wsaa Wsab
busitema.ac.ug

Starter Motor For Kawasaki 550 Sx 1991 Kawasaki Genuine Spare
www.bike-parts-kawa.com

Starter Motor Fits Kawasaki Engine Fd440v Fd501v Fd590v Fd611v
www.walmart.com

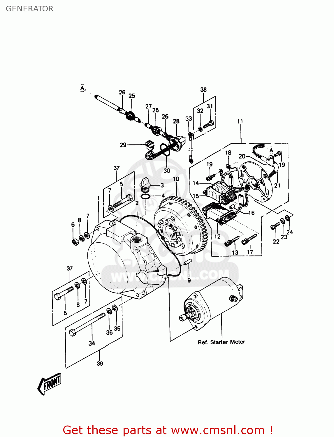
Kawasaki Js550 A7 Jetski550 1988 Usa Generator Buy Original
www.cmsnl.com

New Starter For Kawasaki Js440 Js550 440 550 Jet Ski 1976 1995
davidandjoseph.cl

Js550 Starter Issues
www.pwctoday.com

Pin On Electrical Components Atv Side By Side And Utv Parts And
www.pinterest.com

Find Oem Kawasaki Jet Ski Js 440 550 91 95 Starter Motor Carbon
www.2040-parts.com

Nos Kawasaki O Ring Starter Motor Jet Ski Js400 Js440 Js550 92055
mpc.pr.gov.br

Kawasaki 21163 3710 Jetski Starter Js 440 Js 550 440 Sx Js550
www.alibaba.com

Help Js550 Electrical Smoking
www.pwctoday.com

1988 Kawasaki Jst Ski 550 Js550 A7 Starter Motor Babbitts
www.kawasakipartshouse.com

Amazon Com Starter Solenoid Relay Kawasaki Jetski 550 650 750
www.amazon.com

Starter Drive Kawasaki Js400 Js440 Js550 Jet Ski Yamaha
www.discountstarterandalternator.com

New Starter S108 116 Kawasaki Jet Ski 21163 3003 Js550 550sx S108
www.pucguyana.com

Db Electrical

Fits Kawasaki Jet Ski Js400 Js440 Js550 550sx Starter 76 95
furnacerestaurant.co.nz

Amazon Com New Starter Compatible With Kawasaki Jet Ski Pwc A3
www.amazon.com

Starting Motor Kawasaki Gpz 1100 E
www.officine08.com

Road Passion 27 Motorcycle Starter Solenoid Relay Ignition Switch
www.aliexpress.com

2007 Prior Kawasaki Mule 550 Kaf300 C3 Starter Motor
www.carolinacycle.com

Snd0401 Kawasaki Mule Starter Kaf300 Mule 500 550 W 286cc
www.mfgsupply.com

Nos Kawasaki O Ring Starter Motor Jet Ski Js400 Js440 Js550 92055
mpc.pr.gov.br

Kawasaki Jet Ski Js400 Js440 Js550 Starter 21163 3003 S108 116
www.sealinkparts.com

Starter Motor For Kawasaki Mule 550 No Year Kawasaki Genuine
www.bike-parts-kawa.com

1995 Kawasaki Js550 C5 Starter Motor Motorcycle Goodies
www.motorcyclegoodies.com

Kawasaki Jet Ski Js400 Js440 Js550 Starter 21163 3003 S108 116
www.sealinkparts.com

Kawasaki 440 550 Arrowhead Starter Motor Jetski Junk
jetskijunk.co.nz

Starter Kawasaki Mule Kaf300 500 520 550 Kaf 300 21163 2109 New
ushirika.coop

Kawasaki Jet Ski 1987 Oem Parts Diagram For Starter Motor
www.partzilla.com

Oem Starter Motor Kawasaki Motorcycle Zr 550 B Zephyr B1
www.goparts.eu

Kawasaki Starter 6b 8606 21163 3710 New Jetskiplus Z 6b 9000
www.jetskiplus.com

1990 Kawasaki 400 440 550 650 Stand Up Jet Ski Electrical
www.youtube.com

Kawasaki Jet Ski Js550 A5 Ereplacementparts Com
www.ereplacementparts.com

Kawasaki Js440 Js550 Brush Holder Assembly 14079 3002 Jet Ski
picclick.com

Rareelectrical Starter Motor Fits Kawasaki Engine Fd440v Fd501v
www.sears.com

Surefit Parts

Kawasaki Jet Ski Js400 Js440 Js550 Starter 21163 3003 S108 116
www.sealinkparts.com

Kawasaki Jet Ski Js400 Js440 Js550 Starter 21163 3003 S108 116
www.sealinkparts.com

Kawasaki Gpz 550 Gpz550 Zx550a Starter Motor Boonstra Parts
www.boonstraparts.com

Kawasaki Standard Engine 550 Js550 1982 1990 Shopsbt Com
www.shopsbt.com

1985 Js550 Start Up Youtube
www.youtube.com

Kawasaki Starter Motor Suits Js400 Js440 Js550 And 550sx For Sale
www.ebay.com

Kawasaki Kz 550 Gpz H1 H2 H1 1982 Starter Motor Starter
www.oemmotorparts.com

Kawasaki Starter Motor Suits Js400 Js440 Js550 And 550sx For Sale
www.ebay.com

Starter Motor Smu0120 Kawasaki Kz Zx 550
www.motoelectrical.co.uk

Pin On Boat Parts Parts And Accessories
www.pinterest.com

1990 Kawasaki 400 440 550 650 Stand Up Jet Ski Water Cooling
www.youtube.com

This Is My First Time Working On Stand Ups And I M Working On A
www.reddit.com

Kawasaki Js440 Js550 Brush Holder Assembly 14079 3002 Jet Ski
picclick.com

Vintage Jetski Kawasaki Js550 Engine Start Up Youtube
www.youtube.com

Kawasaki Js550 A7 Jetski550 1988 United Kingdom Fr Al It Parts
www.cmsnl.com

Amazon Com Db Electrical Snd0031 Kawasaki Jet Ski Starter For
www.amazon.com

Starter Mule 500 550
www.atvpartsdepot.com

Starter Motor For Kawasaki Zephyr 1991 Kawasaki Genuine Spare
www.bike-parts-kawa.com

Oem Kawasaki Jet Ski Js 440 550 91 95 Starter Motor Carbon Bush
picclick.com

1995 Kawasaki Js550 C5 Starter Motor Motorcycle Goodies
www.motorcyclegoodies.com

Kawasaki Starter Motor Js440 Js550 550sx
www.lineonedist.co.uk

1988 Kawasaki Jst Ski 550 Js550 A7 Starter Motor Babbitts
www.kawasakipartshouse.com

1995 Kawasaki Js550 C5 Starter Motor Motorcycle Goodies
www.motorcyclegoodies.com

Amazon Com Rareelectrical New Starter Motor Compatible With
www.amazon.com

Starter Motor For Kawasaki Gpz550 1985 Kawasaki Genuine Spare
www.bike-parts-kawa.com

Kawasaki Jetski Js400 Js440 Js550 550sx Pwc Starter New 18305
www.walmart.com

Kawasaki Js 440 550 550sx Jet Ski Starter Motor Oring O Ring New
standupparts.com

Kawasaki Js550 Starter Problems And Fix Youtube
www.youtube.com

Amazon Com New Starter Kawasaki Mule Kaf300 500 520 550 Kaf 300
www.amazon.com

Jetskicentre
jetskicentre.co.uk

Kawasaki Z 550 Kz 550 A2 81 Starter Motor Repair Kit Parts At
www.wemoto.com

New Starter Kawasaki Jet Ski Js400 Js440 Js550 550sx 76 95
www.walmart.com

Starter Kawasaki Mule Kaf300 500 520 550 190 542 18450 Db
www.dbelectrical.com

Fits Kawasaki Jet Ski Js400 Js440 Js550 550sx Starter 76 95
furnacerestaurant.co.nz

New Kawasaki Kaf300 Mule 500 550 Utv Starter 21163 2109
www.discountstarterandalternator.com

Pin On Electrical Components Atv Side By Side And Utv Parts And
www.pinterest.com

Oem Starter Motor Kawasaki Jet Ski Js 550 C 550 Sx C1 C5
goparts.eu

Kawasaki Gpz 550 Gpz550 Zx550a Starter Motor Boonstra Parts
www.boonstraparts.com

New Starter Cub Cadet Kawasaki Utility Vehicle Mule 520 500 550
ppid.tabanankab.go.id

Kawasaki Zr 550 B2 Zephyr 91 Starter Motor Repair Kit Parts At
www.wemoto.com

2007 Prior Kawasaki Mule 550 Kaf300 C3 Starter Motor
www.carolinacycle.com

New Kawasaki Jetski Starter Motor Snap Ring 92036 517 Nos Qty 1
www.ebay.com

Find Kawasaki Js 440 Jet Ski Starter Starting Motor 550 300 Sx
www.2040-parts.com

Details About Js440 Js550 Brush Holder Assembly 14079 3001 Jet Ski
www.pinterest.com

Js440 Js550 Brush Holder Assembly 14079 3001 Jet Ski Starter Motor
www.ebay.com

1988 Kawasaki Jst Ski 550 Js550 A7 Starter Motor Babbitts
www.kawasakipartshouse.com

Discount Starter And Alternator Starter Kawasaki Pwc 21163 3003f
www.rakuten.com

Help Js550 Electrical Smoking
www.pwctoday.com

Pwc Starter Motor Kawasaki Cp Performance
www.cpperformance.com

For Kawasaki Jet Ski Js400 Js440 Js550 550sx Starter 76 95 Ebay
www.ebay.com

close