kawasaki

Kawasaki Js550 Parts Diagram

Jet Ski Carbuerator Problems How To Tune Your Jet Ski Carb
kawasakijetski550.com

2007 Prior Kawasaki Mule 550 Kaf300 C5 Labels Ktm Parts Pro
www.ktmpartspro.com

Https Www Kawasaki Com Parts Downloaddiagrampdf 14050 Modelyear 1986 Modelcode Js550 A5

Parts Diagram
www.kawasaki.com

Powersports Kawasaki Js550 550 Sx 1990 Ignition Coil
www.powersportskawasaki.com

Kawasaki Jet Ski 1993 Oem Parts Diagram For Ignition System
www.partzilla.com

Oliver 550 Agricultural And Industrial Tractor Parts Manual
www.repairmanual.com

Kawasaki Kz 550 Gpz H1 H2 H1 1982 Rear Brake Parts
www.oemmotorparts.com

Carburetor For Kawasaki 550 Sx 1990 Kawasaki Genuine Spare
www.bike-parts-kawa.com

1986 Kawasaki Jst Ski 550 Js550 A5 Handle Pole
www.kawasakipartsnation.com

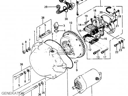
Generator For Kawasaki 550 Sx 1990 Kawasaki Genuine Spare
www.bike-parts-kawa.com

Kawasaki Jet Ski Js550 A8 Ereplacementparts Com
www.ereplacementparts.com

Https Encrypted Tbn0 Gstatic Com Images Q Tbn 3aand9gcq Eb 4wavoidhphc4qv D41otxfsrdrpds9qm1lnt4u Acw49d Usqp Cau
encrypted-tbn0.gstatic.com

Mikuni Power Mikuni Genuine Carburetor Fuel Pump Rebuild Kits
www.mikunipower.com

1988 Kawasaki Jst Ski 550 Js550 A7 Fuel Tank Babbitts Kawasaki
www.kawasakipartshouse.com

Kawasaki Jet Ski 1994 Oem Parts Diagram For Fuel Tank Partzilla Com
www.partzilla.com

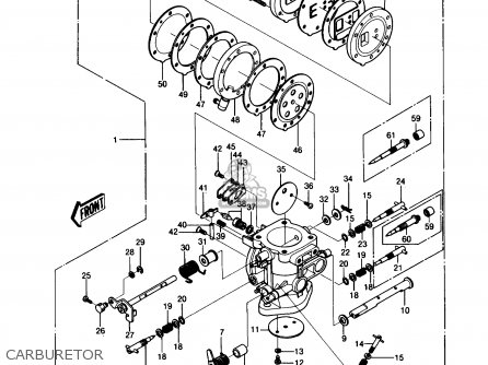
Kawasaki Carburetor Js550 Diagram
www.bikebandit.com

Kawasaki Jet Ski Js550 B1 Ereplacementparts Com
www.ereplacementparts.com

Ford 550 Tractor Loader Backhoe Parts Manual
www.jensales.com

Stihl Fs 550 Clearing Saw Fs550l Parts Diagram G Drive Tube
www.diyspareparts.com

Kawasaki
www.vintagesnow.com

Kawasaki Kz 550 Gpz H1 H2 H1 1982 Air Cleaner Parts
www.oemmotorparts.com

Kawasaki Jet Ski 550 Manual Jet Ski Jet Ski Kawasaki Jet Ski
www.pinterest.com

Kawasaki Jet Ski 1985 Oem Parts Diagram For Muffler Partzilla Com
www.partzilla.com

Jetski Parts Jetski Articles Jet Ski Suppliers Jetski Army
jetski.army

Parts Diagram
www.kawasaki.com

Kawasaki Jet Ski 1982 Oem Parts Diagram For Hull Engine Hood
www.partzilla.com

Kawasaki Js550 C5 Jetski550sx 1995 Usa Canada Parts Lists And
www.cmsnl.com

Kawasaki Jet Ski Js550 B1 Ereplacementparts Com
www.ereplacementparts.com

1982 Kawasaki Gpz 550 Wiring Diagram Kawasaki Motorcycle Forums
www.kawasakimotorcycle.org

1982 1983 Kawasaki Js550 Jet Ski Watercraft Service Repair Manual
www.amazon.com

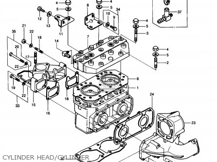
Kawasaki Jet Ski 1986 Oem Parts Diagram For Cylinder Head
www.partzilla.com

Mikuni Power Mikuni Genuine Carburetor Fuel Pump Rebuild Kits
www.mikunipower.com

Oem Carburetor Parts Kawasaki Motorcycle Kz 550 H Gpz H1
goparts.eu

1990 Kawasaki Js550 B1 Drive Shaft Cyclepartsnation Kawasaki
www.kawasakipartsnation.com

Parts Diagram
www.kawasaki.com

Hull For Kawasaki 550 Sx 1991 Kawasaki Genuine Spare Parts
www.bike-parts-kawa.com

Parts Diagram
www.kawasaki.com

Kawasaki Jet Ski 1983 Oem Parts Diagram For Engine Mount Cooling
www.partzilla.com

Parts Diagram
www.kawasaki.com

Carburetor Brackets Flame Arrester For Kawasaki Js550 1982 Promo
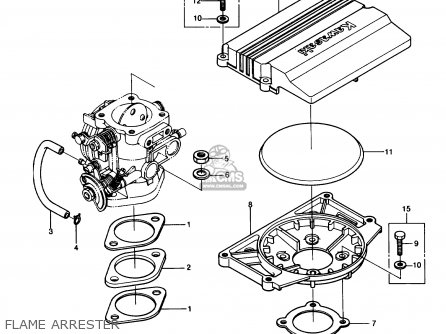
www.promo-jetski.com

Husqvarna 550 Xp 2013 01 Parts Diagram For Cylinder Piston
www.jackssmallengines.com

Kawasaki Jet Ski Js550 A5 Ereplacementparts Com
www.ereplacementparts.com

100 Pdf Kawasaki Mule 550 Parts List 52005 0734 Kawasaki
nobody2016.us

Impros Skat Trak Kawasaki 550sx
impros.com

Honda Jet Ski Parts Diagrams Diagram Base Website Parts Diagrams
braindiagramblank.tassanare.it

550 Sx Jet Ski Parts Kawasaki Jet Ski Oem Parts Accessories
www.alljet.com

1988 Kawasaki Jst Ski 550 Js550 A7 Fuel Tank Babbitts Kawasaki
www.kawasakipartshouse.com

Kawasaki Jet Ski 1983 Oem Parts Diagram For Handle Pole Switches
www.partzilla.com

Zy 4905 2002 Kawasaki Mule 3010 Parts Diagram Wiring Schematic
vulg.osoph.pneu.seve.phae.mohammedshrine.org

Kawasaki Jet Pump Js550 Diagram
www.bikebandit.com

Kawasaki Gpz 550 Wiring Diagram Google Search Sistema
www.pinterest.com

Kawasaki 550 Sx Wiring Diagram Diagram Base Website Wiring Diagram
hrdiagramdefinition.tassanare.it

Kawasaki Js550 A6 Jetski550 1987 Usa Parts Lists And Schematics
www.cmsnl.com

Zy 4905 2002 Kawasaki Mule 3010 Parts Diagram Wiring Schematic
vulg.osoph.pneu.seve.phae.mohammedshrine.org

2007 Prior Kawasaki Mule 550 Kaf300 C5 Labels Ktm Parts Pro
www.ktmpartspro.com

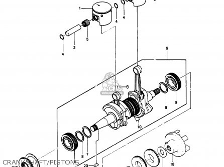
1990 Kawasaki Js550 B1 Crankshaft Piston Babbitts Ktm Parts
www.babbittsktmparts.com

Kawasaki Mule 550 Manual
docs.google.com

Electric Case For Kawasaki Jet Ski 550 1989 Kawasaki Genuine
www.bike-parts-kawa.com

Boatsp Kawasaki Js550 1982 Special Service Tools
www.boatsp.gr

Kawasaki Carburetor Js550 Diagram
www.bikebandit.com

Kawasaki
www.vintagesnow.com

1987 Kawasaki Jst Ski 550 Js550 A6 Carburetor Babbitts
www.kawasakipartshouse.com

Kawasaki Zephyr 550 Service Manual Pdf
docs.google.com

Shindaiwa 550 And 680 Chain Saw Parts Diagrams Lawnmower Pros
www.lawnmowerpros.com

Kawasaki Jet Ski 1988 Oem Parts Diagram For Hull Engine Hood
www.partzilla.com

Stihl Br 550 Backpack Blower Br 550 Parts Diagram Air Filter
www.diyspareparts.com

Kawasaki Labels Js550 A3 Js550 Diagram
www.bikebandit.com

Replacement Oem Parts For 2004 Kawasaki Mule 550 Kaf300 C7
www.adeptpowersports.com

Kawasaki Jet Pump Js550 Diagram
www.bikebandit.com

Oliver 550 Agricultural And Industrial Tractor Parts Manual
www.repairmanual.com

Kawasaki Js550 A6 Jetski550 1987 Usa Parts Lists And Schematics
www.cmsnl.com

100 Pdf Kawasaki Mule 550 Parts List 52005 0734 Kawasaki
nobody2016.us

Kawasaki Jet Ski 1993 Oem Parts Diagram For Jet Pump Partzilla Com
www.partzilla.com

Kawasaki Js550 A7 Jetski550 1988 United Kingdom Fr Al It Parts
www.cmsnl.com

Stihl Fs 550 Clearing Saw Fs550l Parts Diagram J Gear Head
www.diyspareparts.com

Kawasaki Js550 A6 Jetski550 1987 Usa Parts Lists And Schematics
www.cmsnl.com

Kawasaki Carburetor 550 Sx Js550c Diagram
www.bikebandit.com

Kawasaki 550 Ltd Restoration Project Carburetor Cleaning Rebuilding
kawasaki550ltd.blogspot.com

Kawasaki Js550 A6 Jetski550 1987 Usa Parts Lists And Schematics
www.cmsnl.com

Kawasaki Fuel Tank Js550 Diagram
www.bikebandit.com

Oem Carburetor Parts 82 83 C3 C4 Kawasaki Motorcycle Kz
goparts.eu

Stihl Fs 550 Clearing Saw Fs550 Parts Diagram F Air Filter
www.diyspareparts.com

Kawasaki Jet Ski 1976 1991 Service Repair Manual Covers
www.clymer.com

92072 521 Kawasaki Band Fuel Tank Adeptpowersports
www.adeptpowersports.com

Wrg 4669 Kawasaki 550 Jet Ski Wiring Diagram
alyssatopshop-070807.mx.tl

Kawasaki Cooling Bilge Js550 Diagram
www.bikebandit.com

Https Www Kawasaki Com Parts Downloaddiagrampdf 14047 Modelyear 1986 Modelcode Js550 A5

Kawasaki Jet Ski Manuals 300 440 550 650 Jet Mate And Sc
www.themanualstore.com

Cables For Kawasaki Jet Ski 550 1989 Kawasaki Genuine Spare
www.bike-parts-kawa.com

Kawasaki Jet Ski Js550 A8 Ereplacementparts Com
www.ereplacementparts.com

Ignition System For Kawasaki Jet Ski 550sx 1992 Kawasaki
www.bike-parts-kawa.com

Https Www Kawasaki Com Parts Downloaddiagrampdf 14050 Modelyear 1986 Modelcode Js550 A5

1987 Kawasaki Jst Ski 550 Js550 A6 Carburetor Babbitts
www.kawasakipartshouse.com

Cables For Kawasaki Jet Ski 550sx 1990 Kawasaki Genuine Spare
www.bike-parts-kawa.com

Https Www Kawasaki Com Parts Downloaddiagrampdf 145189 Modelyear 1985 Modelcode Js550 A4

Kawasaki Jet Ski Js550 B1 Ereplacementparts Com
www.ereplacementparts.com

Crankshaft Piston For Kawasaki 550 Sx 1990 Promo Jetski
www.promo-jetski.com

Kawasaki Js550 C5 Jetski550sx 1995 Usa Canada Parts Lists And
www.cmsnl.com

Kawasaki Js550 A6 Jetski550 1987 Usa Parts Lists And Schematics
www.cmsnl.com

Https Www Kawasaki Com Parts Downloaddiagrampdf 145186 Modelyear 1985 Modelcode Js550 A4

close