kawasaki

Kawasaki Bayou 220 Carburetor Settings

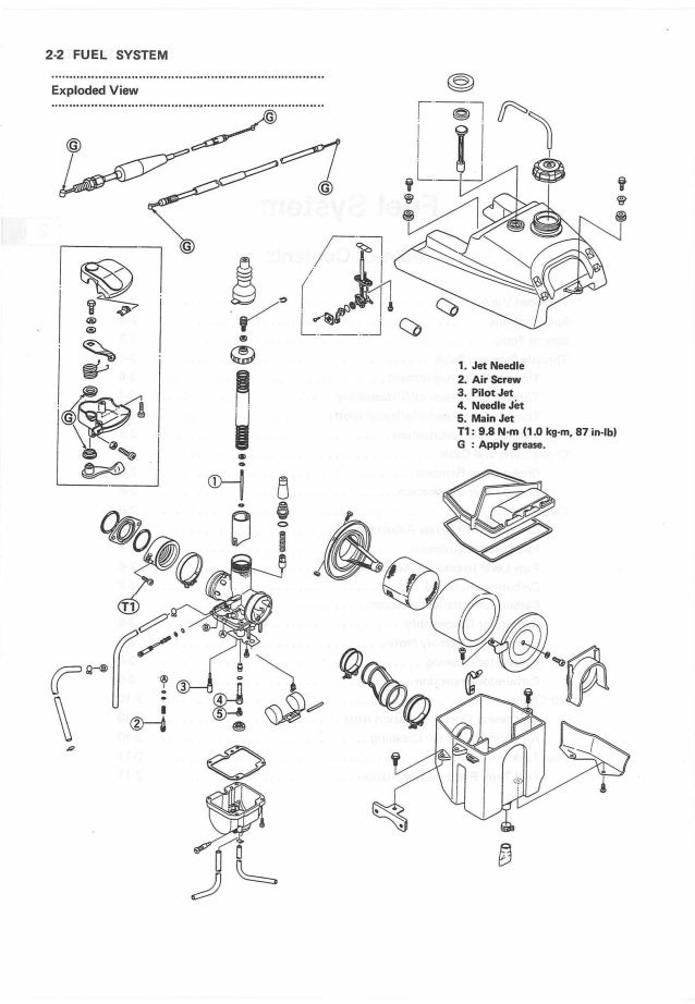
Bayou 220 250 Klf220 Klf250 Kawasaki Service Manual
www.repairmanual.com

Kawasaki Bayou 300 Service Manual
docs.google.com

Kawasaki Bayou 220 250 Klf220 Klf250 Printed Cyclepedia Atv Service Manual
www.repairmanual.com

Kawasaki Bayou 220 Klf220 A11 Ereplacementparts Com
www.ereplacementparts.com

How To Kawasaki Bayou Klf 220 Carburetor Clean Carb Rebuild Gas Fuel Cleaner Gumout Disassemble Youtube
www.youtube.com

Bayou 220 250 Klf220 Klf250 Kawasaki Service Manual Cyclepedia
www.cyclepedia.com

Cleaning Carburetor Kawasaki Bayou 220 Youtube
www.youtube.com

Diagram Of Kawasaki Atv Parts 1997 Klf220 A10 Bayou 220 Carburetor Diagram How To Plan Architecture Symbols Symbols
www.pinterest.com

How To Idle Mixture Screw Adjustment The Junk Man S Adventures
www.thejunkmanadv.com

Alconstar Motorcycle Engine Carb Carburetor Fit For Kawasaki Bayou 220 Klf220 1988 1989 1990 1999 2001 2002 Manual
www.aliexpress.com

2000 Kawasaki Bayou 220 Klf220a Carburetor Parts Oem Diagram Bikebandit Com
www.bikebandit.com

Gr 2523 Bayou 250 Carburetor Adjustment Kawasaki Bayou 220 Wiring Diagram Schematic Wiring
caba.piot.dogan.emba.mohammedshrine.org

1988 2002 Kawasaki Bayou 220 Service Manual Kawasaki Atv Forum Quadcrazy
www.quadcrazy.com

Sherryberg Carburettor Carb Carburetor Fit For Kawasaki Bayou 220 Klf220 1988 1989 1990 1999 2001 Manual Choke
www.pinterest.es

1995 Kawasaki Klf220 A8 Bayou Service Repair Manual
www.slideshare.net

I Have A 2001 Bayou 300 I Just Replace The Valves And Need To Know How To Adjust Them
www.justanswer.com

I Need A Wiring Diagram For A 1990 Kawasaki 220 Bayou Mod Klf220a 15 Can Someone Help Please
www.justanswer.com

Bayou 220 Vacuum Atv Utv Jetting Fuel Injection Thumpertalk
thumpertalk.com

99 Bayou Carb Leaking Gas From Tube Kawasaki Atv Forum
www.kawieriders.com

Wiring Diagram Kawasaki Bayou 300 1988 Diagram Base Website 300 1988 Teamdiagrams Premioprocidamorante It
teamdiagrams.premioprocidamorante.it

Bayou 220 Ignition Wiring Help Atvconnection Com Atv Enthusiast Community
atvconnection.com

Https Encrypted Tbn0 Gstatic Com Images Q Tbn 3aand9gcr05dyjw2evvtsaclqzzyyp5h4pjbi1yoikibnivvih4cq45nbz Usqp Cau
encrypted-tbn0.gstatic.com

Kawasaki Bayou Hard To Start Atvconnection Com Atv Enthusiast Community
atvconnection.com

Carburetor For Kawasaki Bayou 220 2001 Kawasaki Genuine Spare Parts Catalog Online
www.bike-parts-kawa.com

Kawasaki Bayou 220 Wiring Diagram Diagram Base Website Wiring Diagram Venndiagram3circles Tassanare It
venndiagram3circles.tassanare.it

Https Encrypted Tbn0 Gstatic Com Images Q Tbn 3aand9gcrg6g7vcefojtivxh7tvj1fdwmrai 6qu Qaf1lfixdgctulnb Usqp Cau
encrypted-tbn0.gstatic.com

Wiring Diagram Kawasaki Bayou 300 Diagram Base Website Bayou 300 Hrdiagramsun Tassanare It
hrdiagramsun.tassanare.it

Bayou 220 Vacuum Atv Utv Jetting Fuel Injection Thumpertalk
thumpertalk.com

Amazon Com Carburetor For Kawasaki Bayou 220 Klf220 Klf 220 1988 1998 Bayou Klf 250 2003 2011 Kawasaki
www.amazon.com

Kawasaki Bayou 220 250 Klf220 Klf250 Printed Cyclepedia Atv Service Manual
www.repairmanual.com

Amazon Com Atracypart Klf300 Carburetor Carb For 1986 2005 Kawasaki Klf 300 Bayou Atv Carb Automotive
www.amazon.com

How To Kawasaki Bayou 220 Klf220 Adjust The Valves Adjustment Lash Maintenance Specs Clearance Youtube
www.youtube.com

1995 Kawasaki Klf220 A8 Bayou Service Repair Manual
www.slideshare.net

Nv 2274 Kawasaki Bayou 300 Wiring Harness Download Diagram
phon.pical.itis.mohammedshrine.org

Amazon Com Kipa Carburetor Air Fitler Fuel Filter Kit For Kawasaki Bayou 220 Klf220a Klf220 Klf 220a Atv Quad 1988
www.amazon.com

Kawasaki Atv 1994 Oem Parts Diagram For Carburetor Partzilla Com
www.partzilla.com

I Have A 1994 220 Bayou That Just Will Not Idle Smoothly Rebuilt Carb Fuel Filter New Gas The Only Way It Stays Running
www.justanswer.com

How To Adjust Your Idle Scrub Screw For Kawasaki Bayou 250 Carburetor Must Watch Youtube
www.youtube.com

1992 Kawasaki Bayou 220 Klf220 A5 Carburetor Babbitts Kawasaki Partshouse
www.kawasakipartshouse.com

799598 Kawasaki Bayou 220 Fuse Box Wiring Library
standingby.redbull.com

Amazon Com Kawasaki Bayou Prairie Atv Haynes Repair Manual 1986 2011 Automotive
www.amazon.com

Bayou 220 250 Klf220 Klf250 Kawasaki Service Manual Cyclepedia
www.cyclepedia.com

I Have A 2005 Kawasaki 250 Bayou Have Cleaned Carb And Am Still Having Trouble With It Running Rough It Fires Right Up
www.justanswer.com

Kawasaki Bayou 220 Klf220 A1 Ereplacementparts Com
www.ereplacementparts.com

Cm 1456 Wiring Diagram 2000 Kawasaki 220 Atv Free Diagram
arnes.nedly.lave.vell.jebrp.mohammedshrine.org

1998 Kawasaki Bayou 220 Owner S Manual Page 19 Pdf
ownersmanuals2.com

26 Best Bayou 220 Images Bayou Kawasaki Atv Audio Tube
www.pinterest.com

Kawasaki Bayou 220 Kawasaki Bayou 220 Kawasaki Bayou 220 Air Filter Kawasaki Bayou 220 Battery Kawasaki Bayou
www.pinterest.com

How To Remove Carburetor Kawasaki Bayou 300 Atv Carb Clean Cold Blooded Youtube
www.youtube.com

Kawasaki Bayou 250 Manuals Manualslib
www.manualslib.com

1992 Kawasaki Bayou 220 Klf220 A5 Carburetor Babbitts Kawasaki Partshouse
www.kawasakipartshouse.com

Kawasaki Bayou 220 Wiring Diagram Diagram Base Website Wiring Diagram Venndiagram3circles Tassanare It
venndiagram3circles.tassanare.it

Amazon Com Zoom Zoom Parts Carburetor For Kawasaki Bayou 220 Klf220 Klf 220 1988 1989 1990 1991 1992 1993 1994 1995
www.amazon.com

Kawasaki Bayou 220 250 300 Prairie 300 Atvs 1986 2003 Haynes Repair Manuals Haynes 9781563925221 Amazon Com
www.amazon.com

Wiring Diagram Kawasaki Bayou 300 Diagram Base Website Bayou 300 Hrdiagramsun Tassanare It
hrdiagramsun.tassanare.it

I Have A 2005 Kawasaki 250 Bayou Have Cleaned Carb And Am Still Having Trouble With It Running Rough It Fires Right Up
www.justanswer.com

1995 Kawasaki Klf220 A8 Bayou Service Repair Manual
www.slideshare.net

Amazon Com Carburetor For Kawasaki Bayou 220 Klf220 Klf 220 1988 1998 Bayou Klf 250 2003 2011 Kawasaki
www.amazon.com

Bayou 220 250 Klf220 Klf250 Kawasaki Service Manual
www.repairmanual.com

Kawasaki Bayou 220 Wiring Diagram Images Diagram Base Website Diagram Images Phasediagram Dondialetto It
phasediagram.dondialetto.it

2002 Kawasaki Bayou 220 Klf220 A15 Carburetor Babbitts Kawasaki Partshouse
www.kawasakipartshouse.com

Kawasaki Bayou 220 250 Klf220 Klf250 Printed Cyclepedia Atv Service Manual
www.repairmanual.com

Kb 4452 Kawasaki Bayou 185 Wiring Diagram On Wiring Diagram Kawasaki Bayou 220 Schematic Wiring
wned.venet.mohammedshrine.org

Https Encrypted Tbn0 Gstatic Com Images Q Tbn 3aand9gcrhscse3hntvpf 6vpmbld1xtvyhy 4mdfzggzfnwqoudvn3im3 Usqp Cau
encrypted-tbn0.gstatic.com

Oem Carburetor Kawasaki All Terrain Klf 220 A Bayou 220 A5 A9 Bayou 220 1994 Goparts
goparts.eu

2002 Kawasaki Bayou 220 Jumps When Shifting Kawasaki Atv Forum Quadcrazy
www.quadcrazy.com

Wiring Diagram Kawasaki Bayou 300 Diagram Base Website Bayou 300 Hrdiagramsun Tassanare It
hrdiagramsun.tassanare.it

Bayou 250 Carb Adjustments Kawasaki Atv Forum
www.kawieriders.com

Bayou 220 250 Klf220 Klf250 Kawasaki Service Manual Cyclepedia
www.cyclepedia.com

Kawasaki Fuel Tank Bayou 220 Klf220a Diagram
www.bikebandit.com

Amazon Com Carburetor For Kawasaki Bayou 220 Klf220 Klf 220 1988 1998 Bayou Klf 250 2003 2011 Kawasaki
www.amazon.com

26 Best Bayou 220 Images Bayou Kawasaki Atv Audio Tube
www.pinterest.com

How To Kawasaki Bayou Klf 220 Carburetor Clean Carb Rebuild Kit Gas Fuel Cleaner Gumout Assemble Youtube
www.youtube.com

Another Bayou 220 No Spark Kawasaki Atv Forum Quadcrazy
www.quadcrazy.com

1988 2002 Kawasaki Bayou 220 Klf220 Service Repair Manual Workshop Atv 2001 2000 Ebay
www.ebay.com

Bayou 220 250 Klf220 Klf250 Kawasaki Service Manual Cyclepedia
www.cyclepedia.com

Bayou 220 Vacuum Atv Utv Jetting Fuel Injection Thumpertalk
thumpertalk.com

Kawasaki Bayou 220 Owners Manual
docs.google.com

Bayou Sunning Issue Pilot Air Screw Question Kawasaki Atv Forum
www.kawieriders.com

Bayou 220 Carb Problem Explained Youtube
www.youtube.com

Klf 220 Bayou 99 Checking Setting Timing Youtube
www.youtube.com

Kawasaki Bayou 220 250 Klf220 Klf250 Printed Cyclepedia Atv Service Manual
www.repairmanual.com

Kawasaki Atv 2002 Oem Parts Diagram For Carburetor Partzilla Com
www.partzilla.com

Kawasaki Atv 1985 Oem Parts Diagram For Carburetor Fuel Pump Partzilla Com
www.partzilla.com

1991 Kawasaki Bayou 220 Klf220 A4 Carburetor Babbitts Kawasaki Partshouse
www.kawasakipartshouse.com

Kawasaki Carburetor Bayou 220 Klf220a Diagram
www.bikebandit.com

Needle Jet R1173l 2af For Kdx220 A8 Kdx220r 2001 Usa Canada Order At Cmsnl
www.cmsnl.com

Kawasaki Bayou 220 Valve Adjustment Youtube
www.youtube.com

2002 Kawasaki Bayou 220 Klf220 A15 Carburetor Babbitts Kawasaki Partshouse
www.kawasakipartshouse.com

Kawasaki Bayou 220 250 Klf220 Klf250 Printed Cyclepedia Atv Service Manual
www.repairmanual.com

Https Encrypted Tbn0 Gstatic Com Images Q Tbn 3aand9gct2e1mzyj Ot50igbircs2hp8wqn2vlwfbafoaqarihluxk6ag1 Usqp Cau
encrypted-tbn0.gstatic.com

Kawasaki Carburetor Bayou 220 Klf220a Diagram
www.bikebandit.com

Amazon Com Carburetor For Kawasaki Bayou 220 Klf220 Klf 220 1988 1998 Bayou Klf 250 2003 2011 Kawasaki
www.amazon.com

Kawasaki Bayou 220 Atv Carb Problem Bogs On Throttle Opening Moved Clip Doen One Notch On Needle Valve Rebuilt And
www.justanswer.com

Kawasaki Cylinder Head Bayou 220 Klf220a Diagram
www.bikebandit.com

Bayou 220 Clutch Adjustment Youtube
www.youtube.com

Factory Service Repair Manual Klf Kawasaki Bayou 220 1988 1992 Oem Ebay
www.ebay.com

Amazon Com Carburetor For Kawasaki Bayou 220 Klf220 Klf 220 1988 1998 Bayou Klf 250 2003 2011 Kawasaki
www.amazon.com

Kawasaki Bayou 220 250 Klf220 Klf250 Printed Cyclepedia Atv Service Manual
www.repairmanual.com

Bayou 220 Snorkel Vent Hoses Part 3 Youtube
www.youtube.com

1995 Kawasaki Klf220 A8 Bayou Service Repair Manual
www.slideshare.net

Kawasaki Atv 1996 Oem Parts Diagram For Carburetor Partzilla Com
www.partzilla.com

I Pulled Carb Off My Kawasaki 250 Bayou 2004 And Completelty Tore Apart And Cleaned Everything As It Would Start But
www.justanswer.com

2a33 Kawasaki Bayou 220 Wiring Harness Diagram Wiring Library
standingby.redbull.com

close