kawasaki

Kawasaki 300 Lx Ultra Jet Ski

Jet Ski Ultra 300lx For Sale Kawasaki Stand Up 9404794 Pwcs Pwc Trader
www.pwctrader.com

2011 Kawasaki Ultra 300 Lx Jet Ski For Sale In Bastrop Texas Classified Americanlisted Com
bastrop-tx.americanlisted.com

2012 Kawasaki Jet Ski Ultra 300 Lx Engine 865 Powersports Jet Ski Repair Service Parts Powersports
www.865-customz.com

Pages 24165462 New Or Used 2013 Kawasaki Jet Ski Ultra 300lx And Other Motorcycles For Sale 10 999 Kawasaki Com
www.gj18.com

Https Encrypted Tbn0 Gstatic Com Images Q Tbn 3aand9gct6 Fwp5asidir9vcokjohb8cixt5825kzz0gvcdpveyp Jcvnq Usqp Cau
encrypted-tbn0.gstatic.com

2011 Kawasaki Jet Ski Ultra 300lx Global Sources
www.globalsources.com

Jet Ski Rental In Toledo Ohio Getmyboat
www.getmyboat.ca

Kawasaki Jet Ski Ultra Lx Brick7 Boats
boats.brick7-us.com

2011 Kawasaki Jet Ski Ultra 300lx Ultra 300lx For Sale In Austin Texas Listedbuy
www.listedbuy.com

2013 Kawasaki Jet Ski Ultra 300lx Preview
www.moto123.com

2012 Kawasaki Jet Ski Ultra 300lx Goe Powersports
www.goepowersports.com

Front Hull Parts For Kawasaki Jet Ski Ultra 300lx 2011 Kawasaki Genuine Spare Parts Catalog Online
www.bike-parts-kawa.com

Kawasaki Remanufactured Jet Pump Housing Ultra 300 310 X Lx Shopsbt Com
www.shopsbt.com

Supercharger For Kawasaki Jet Ski Ultra 300lx 2011 Kawasaki Genuine Spare Parts Catalog Online
www.bike-parts-kawa.com

2017 Kawasaki Ultra 300lx Top Speed Jetski Top Speed
jetskitopspeed.com

Page 166220 New Used Motorbikes Scooters 2013 Kawasaki Jet Ski Ultra 300lx Kawasaki Motorcycles For Sale Price 10 599 Motorcycle Supermarket
www.sujian919.com

For Sale 8 999 Pre Owned 2012 Kawasaki Ultra 300 Lx Jet Ski With Warranty Youtube
www.youtube.com

Promo Sale Bliblimarket P Ht New 2012 Kawasaki Jet Ski Ultra 300lx Global Sources
www.globalsources.com

Monster Energy Jetski Kawasaki Ultra 300lx Plastic Moto 2013 El Tony El Tony
www.el-tony.com

2012 Kawasaki Jet Ski Ultra 300lx Base Manufacturer In Brooklyn United States Id 2014432
usa.exportersindia.com

2013 Kawasaki Jet Ski Ultra 300lx For Sale Huron Oh 157869
www.powersportstv.com

Blue 600 Denier Kawasaki Ultra 300lx 2011 2015 Jet Ski Pwc Watercraft Cover Ebay
www.ebay.com

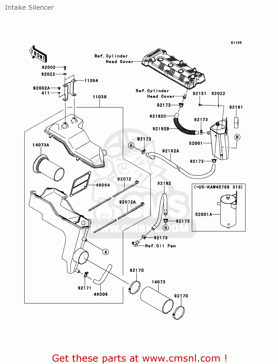
Kawasaki Jt1500 Jcf Jetski Ultra 300lx 2012 Usa Intake Silencer Buy Original Intake Silencer Spares Online
www.cmsnl.com

Kawasaki Ultra 300x 300lx Jt1500hbf Jbf Jet Ski Wate Mediazone
sellfy.com

15 499 2013 Kawasaki Ultra 300lx 3 Seater 300hp Jetski Watercraft Review Youtube
www.youtube.com

2011 2012 Kawasaki Jet Ski Ultra 300 X Lx Service And Owner Manual Pdf File Buy Kawasaki Jet Ski Service Manual 300x 300 Lx 2011 2012 Product On Alibaba Com
www.alibaba.com

2014 2015 Kawasaki Jet Ski Ultra 300lx Id 10340220 Buy United States Jetski Ec21
www.ec21.com

Pages 24163875 New Or Used 2012 Kawasaki Jet Ski Ultra 300lx And Other Motorcycles For Sale 10 999 Kawasaki Com
www.gj18.com

Impros Impellers Solas Kawasaki
impros.com

2012 Kawasaki Ultra 300lx Bayside Jet Drive Berlin Maryland Yamaha Boats Waverunners Kawasaki Jetskis Ez Loader Trailers Loadrite Trailers
baysidejetdrive.net

Pages 24139235 New Or Used 2012 Kawasaki Jet Ski Ultra Lx And Other Motorcycles For Sale 7 499 Kawasaki Com
www.gj18.com

Kawasaki Ultra 2019 Release From 2019 Jet Ski Ultra Lx Kawasaki Motors Australia In Kawasaki Ultra 2019 Release Kawasaki Jet Ski Kawasaki Motor
www.pinterest.com

2013 Kawasaki Jet Ski Ultra 300lx Preview
www.moto123.com

Rareelectrical New Crank Case Pipe O Ring Fits Kawasaki Jet Ski 1500 Ultra 300lx 11 13 670d1507
www.sears.com

2014 Kawasaki Jet Ski Lineup Unveiled Personal Watercraft
www.personalwatercraft.com

Jet Ski Vehicles For Sale Classifieds Near Elmira New York Claz Org
elmira.claz.org

Overview And Review 2011 Kawasaki Ultra 300lx And Triton Elite Trailer Youtube
www.youtube.com

2020 Jet Ski Ultra Lx By Kawasaki
m.kawasaki.com

Kawasaki 300 310 Ultra Front Cover Meter 14091 3825 Jet Skis International
jetskisint.com

2013 Kawasaki Jet Ski Ultra Lx 1498cc Only 11 Hrs 2000 Arklatexrides Com
www.arklatexrides.com

2011 Kawasaki Ultra 300lx Review Personal Watercraft
www.personalwatercraft.com

Ramzi Cycle Jet Ski Kawasaki Ultra 300 X 2011 Facebook
www.facebook.com

Yellow Kawasaki Ultra 300 Lx 300 X 11 15 Jet Ski Cover Watercraft Pwc Ebay
www.ebay.com

2016 Kawasaki Ultra 300lx Hampton Bays United States Boats Com
uk.boats.com

Sold 2011 Kawasaki Ultra 300lx Jet Ski W Trailer In Mokena Letgo
www.letgo.com

Kawasaki Jet Skis Sws Muskoka
swsmuskoka.com

Enjoy The Violence 2020 Kawasaki Ultra 310r Jetski Video The Watercraft Journal The Best Resource For Jetski Waverunner And Seadoo Enthusiasts And Most Popular Personal Watercraft Site In The World
watercraftjournal.com

2013 Kawasaki Jet Ski Ultra 300lx Top Speed
www.topspeed.com

9 999 For Sale Pre Owned 2013 Kawasaki Ultra 300 Lx Jet Ski With Triton Aluminum Trailer Youtube
www.youtube.com

2011 Kawasaki Jt1500 Jet Ski Ultra 300x 300lx Service Repair Workshop
www.slideshare.net

Elite 2007 2018 Kawasaki Ultra 250 260 300 310 Jet Skis Watercraft Superstore
www.watercraftsuperstore.net

2011 Pwc From Kawasaki Short S Marine Millsboro De 302 945 1200
www.shortsmarine.com

2012 Kawasaki Jet Ski Ultra 300lx Review Personal Watercraft
www.personalwatercraft.com

Overview And Review 2012 Kawasaki Ultra 300lx Jetski Youtube
www.youtube.com

2011 Kawasaki Ultra 300lx Jet Ski Top Speed
www.topspeed.com

Oem Throttle Kawasaki Jet Ski Jet Ski Ultra 300lx Jt1500jbf Eu 2011 Goparts
www.goparts.eu

Impros Impellers Skat Trak Kawasaki Ultra 300
impros.com

2013 Kawasaki Ultra 300 Lx Jet Ski Trailer 2000 Arklatexrides Com
www.arklatexrides.com

Sold 2013 Ultra 300lx Kawasaki Jet Ski In New York Letgo
www.letgo.com

Custom Jet Ski Cover Kawasaki Ultra 300 Lx 2009 2013
www.stopbyus.com

2010 2011 Kawasaki Jet Ski Ultra 300x 300lx Jt1500hbf Jt1500jbf Watercraft Service Repair Manual Service Manual Download
www.servicemanualbit.com

2013 Kawasaki Jet Ski Ultra 300lx Watercraft Massillon Ohio
jandjcycle.com

Kawasaki Ultra 300 Line Of Jet Skis Power Motoryacht
www.powerandmotoryacht.com

2017 Kawasaki Ultra 300x Top Speed Jetski Top Speed
jetskitopspeed.com

Kawasaki Jet Ski Ultra 300lx 2011 Id 5712280 Product Details View Kawasaki Jet Ski Ultra 300lx 2011 From International Yacht Club Ec21
indosamudra.en.ec21.com

Unavailable Used 2011 Kawasaki Ultra 300 Lx Jet Ski In Bastrop Texas Youtube
www.youtube.com

Jetski Kawasaki Ultra 300lx Water 2013 El Tony El Tony
www.el-tony.com

2013 Kawasaki Jet Ski Ultra 300lx Top Speed
www.topspeed.com

Jet Ski Watercraft Vacu Hold Jet Ski 300 Cover
m.kawasaki.com

2011 Kawasaki Ultra 300x Ultra 300lx Jet Ski Watercraft Service Repair Manual Kawasaki Amazon Com Books
www.amazon.com

Quantum 255lph Performance Fuel Pump For Kawasaki Jet Ski Ultra 300lx Jt1500 2011 2013 Replaces 49040 3720
www.highflowfuel.com

Page 166313 New Used Motorbikes Scooters 2013 Kawasaki Jet Ski Ultra 300lx Ultra 300lx Kawasaki Motorcycles For Sale Price 11 999 Motorcycle Supermarket
www.sujian919.com

Jet Ski Ultra 300lx For Sale Kawasaki Pwcs Pwc Trader
www.pwctrader.com

Amazon Com 2011 2017 Kawasaki Ultra 300 310 Jet Ski Maintenance Kit Automotive
www.amazon.com

2014 Kawasaki Ultra 300lx Full Technical Specifications Price Engine The Boat Guide
specs.boatguideweb.com

Ultra 310lx My 2020 Kawasaki Europe
www.kawasaki.eu

2013 Kawasaki Jet Ski Ultra 300x Ultra 300lx For Sale In Silverton Oregon Listedbuy
www.listedbuy.com

Kawasaki Ultra 250x Ultra Lx Ultra 260lx Ultra 300lx Ultra 300x Storage Cover Jet Skis International
jetskisint.com

Lot 12013 Kawasaki Ultra 300 Lx 2009 Sea Doo Rxt215 Jet Skis W Double Trailer Accessories
bid.theurer.net

Kawasaki Personal Watercraft Boats For Sale In 11501 Boat Trader
www.boattrader.com

Kawasaki Launches The Jet Ski Ultra 300x The Flagship Model Of The Jet Ski Series Kawasaki Heavy Industries Ltd
global.kawasaki.com

2013 Kawasaki Jet Ski Ultra 300lx Top Speed
www.topspeed.com

Review 2013 Kawasaki Jetski Ultra 300x With 300 Horsepower Youtube
www.youtube.com

Brisbane Auto Marine Duplicate Of 2013 Kawasaki Ultra 300lx 3 Hours 13200
brisbaneautomarine.com.au

Kawasaki Jet Ski Knoxville Classifieds Claz Org
knoxville.claz.org

Bjmoto Moto Gas Fuel Pump For Kawasaki Jet Ski Jetski Ultra 250x Jt1500b Ultra 300x 300lx 300x Lx Jet Ski 49040 1071 49040 0012 Aliexpress
www.aliexpress.com

Factory Price 2011 Kawasaki Jet Ski Ultra 300lx Id 6095078 Product Details View Factory Price 2011 Kawasaki Jet Ski Ultra 300lx From Cayoung Doxing Trade Co Ltd Ec21
dorisnasian.en.ec21.com

2013 Kawasaki Jet Ski Ultra 300lx Watercraft Massillon Ohio
jandjcycle.com

2010 Kawasaki Ultra Lx Specs Equipment
www.nadaguides.com

Kawasaki Jet Ski Ultra 300lx 2011 Captain S Report Boattest
boattest.com

Kawasaki Piston Ring Set Ultra 300x 300lx 310x 310lx 310r 13001 0755 13001 0787 Shopsbt Com
www.shopsbt.com

2013 Kawasaki Jet Ski Ultra 300lx Pictures Photos And Images Personalwatercraft Com
www.personalwatercraft.com

2012 Kawasaki Ultra 300lx Full Technical Specifications Price Engine The Boat Guide
specs.boatguideweb.com

Used 2016 Kawasaki Ultra 300lx 11946 Hampton Bays Boat Trader
www.boattrader.com

For Sale 2011 Kawasaki Jet Ski Ultra 300lx Luxury Personal Water Craft Forum
www.pwcforum.com

Page 164581 New Used 2012 Kawasaki Jet Ski Ultra 300lx Kawasaki Motorcycle Prices Atvs For Sale Pricing 9 299
www.fshy.net

Kawasaki Ultra 250 260 300 310 Performance Maintenance And Information Database
greenhulk.net

Kawasaki Ultra 250 260 300 310 Performance Maintenance And Information Database
greenhulk.net

2013 Kawasaki Jet Ski Ultra Lx Top Speed
www.topspeed.com

Rent 10 Kawasaki Ultra Jet Ski Sainte Maxime Provence Alpes Cote D Azur Getmyboat
www.getmyboat.com

2012 Kawasaki Jet Ski Ultra 300lx Review Jet Ski Rentals Jet Ski Boat
www.pinterest.com

close