kawasaki

1998 Kawasaki Vulcan 1500 Wiring Diagram

Ic Igniter Kawasaki Questions Answers With Pictures Fixya
www.fixya.com

Vn800 Wiring Diagram Kawasaki Vulcan Forum
www.vulcanforums.com

Kawasaki Nomad 1500 Wiring Diagram Diagram Base Website Wiring
hamletplotdiagram.ilsensodelgol.it

C1f808 Kawasaki Vulcan Drifter 1500 Wiring Diagram Wiring Library
standingby.redbull.com

Wrg 8282 Ninja 250 Wiring Diagram
lucyshopjo0708.mx.tl

Kawasaki Vulcan Wikipedia
en.wikipedia.org

Kawasaki Nomad 1500 Wiring Diagram Diagram Base Website Wiring
hamletplotdiagram.ilsensodelgol.it

Motorcycle Wire Color Codes Electrical Connection
electricalconnection.com

1998 2004 Kawasaki Vulcan 1500 Nomad Classic Tourer Haynes Repair
www.sixity.com

1998 Vulcan Wiring Diagram Wiring Library
83.ewbf.ru

Amazon Com Clymer Kawasaki Vulcan 1500 Series 1996 2008 Automotive
www.amazon.com

Wz 4892 Kawasaki Vn 800 Wiring Diagram Schematic Wiring
kumb.aspi.bocep.mohammedshrine.org

Https Encrypted Tbn0 Gstatic Com Images Q Tbn 3aand9gcto7pohad6diimbkgvqc6wwfnjg5fxt86okq4z Fwe1i27awsb Usqp Cau
encrypted-tbn0.gstatic.com

Kawasaki Vulcan 1500 Wiring Diagram Diagram Base Website Wiring
hrdiagramsun.tassanare.it

Ram 1500 Wiring Diagram Schematic Diagram Base Website Diagram
printablevenndiagram.lokale-buendnisse-fuer-familien.de

Ytx24hl Bs Battery For Kawasaki Vn1500 A Vulcan 1500 1996 1998
www.walmart.com

Kawasaki 1500 Wiring Diagram Wiring Diagram
obd2.autoscout24.com

Http Www Vulcansabs Com Wp Content Uploads 2016 04 Kawasaki Vulcan Vn1500 Nomad Classic Tourer 1998 1999 Service Manual Pdf

Amazon Com Clymer Repair Manual For Kawasaki Vn1500 Vulcan 96 08
www.amazon.com

2001 Porsche Boxster Wiring Diagram Diagram Base Website Wiring
deven.viapac.eu

Kawasaki Vn1500a12 Vulcan 1500 1998 Usa California Parts Lists And
www.cmsnl.com

Amazon Com Clymer Repair Manual For Kawasaki Vn1500 Vulcan 96 08
www.amazon.com

Vulcan Wiring Diagrams Gadget S Fixit Page
gadgetsfixitpage.com

Http Www Vulcansabs Com Wp Content Uploads 2016 04 Kawasaki Vulcan Vn1500 Nomad Classic Tourer 1998 1999 Service Manual Pdf

Kawasaki Vulcan 1500 Wiring Diagram Diagram Base Website Wiring
hrdiagramsun.tassanare.it

93kawasakivulcan 88 Vn1500 Wiring Diagram Diagram Base Website
fishbonemedicaldiagram.objets-voles.fr

Ninja 1000 Wiring Diagram Sampoerna Ab Slt Legal Fr
sampoerna.ab.slt-legal.fr

Igniter Vn1500 Vulcan Kawasaki
www.regulatorrectifier.com

Search Q Kawasaki Ninja Wiring Diagram Tbm Isch

Wiring Diagram For 1999 Kawasaki Vulcan 1500 Drifter 52 2004 Specs
www.paratamoto.com

Vulcan Wiring Diagrams Gadget S Fixit Page
gadgetsfixitpage.com

1998 Kawasaki Vulcan 1500 Classic Vn1500 E1 Front Bevel Gear
www.kawasakipartshouse.com

27010 1360 Kawasaki Switch Oil Pressure 33 65 Adeptpowersports
www.adeptpowersports.com

Sfrqkwche664fm

Kawasaki Vulcan 750 Cdi Box Youtube
www.youtube.com

Vulcan 1500 Nomad Haynes Manuals
haynes.com

Kawasaki Vn800 Service Manual Pdf Download Manualslib
www.manualslib.com

1985 Kawasaki Wiring Diagram Wiring Diagram
obd2.autoscout24.com

Review Of Kawasaki Vn 1500 Classic 1998 Pictures Live Photos
loversofmoto.com

Ninja 1000 Wiring Diagram Sampoerna Ab Slt Legal Fr
sampoerna.ab.slt-legal.fr

Tear It Up Fix It Repeat If Your 1500 Vulcan Won T Start
tearitupfixitrepeat.blogspot.com

Have A 98 Kaw Vulcan 1500 Lost The Key Had A New One Made
www.justanswer.com

Ignition Switch
jobear2.com

Kawasaki Carburetor Vulcan 1500 Classic Vn1500e Ca Diagram
www.bikebandit.com

De6a68b 1998 Dodge Dakota Fuse Box Diagram Wiring Resources
easton-se1401.ddns.info

750 Kawasaki Motorcycle Wiring Diagram
cumminsiscwiringdiagram.web.app

1995 Kawasaki Vn1500 Vulcan Moto Zombdrive Com
moto.zombdrive.com

Https Encrypted Tbn0 Gstatic Com Images Q Tbn 3aand9gcqzx7roooxkcac Srlefgwitxlo O9e8ozueaduvx9syopccx3m Usqp Cau
encrypted-tbn0.gstatic.com

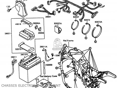
Chassis Electrical Equipment For Kawasaki Vulcan 1500 Classic 1998
www.bike-parts-kawa.com

Sc 2552 Coolant Hose Diagram Vulcan 1500 E Free Diagram
itive.rect.mohammedshrine.org

02e1c6f Wiring Diagram Kawasaki Vulcan 1500 Wiring Library
standingby.redbull.com

Sc 2552 Coolant Hose Diagram Vulcan 1500 E Free Diagram
itive.rect.mohammedshrine.org

Fuel Pump Wiring Diagram Questions Answers With Pictures Fixya
www.fixya.com

Kawasaki Air Cleaner Vulcan 1500 Classic Vn1500e Diagram
www.bikebandit.com

How To Adjust Carb 05 Vulcan 800 Kawasaki Vulcan Forum
www.vulcanforums.com

Vulcan 1500 Service Manual
docs.google.com

Kawasaki Vn 1500 Vulcan 1500 A10 A13 A12 1998 Front Brake
www.oemmotorparts.com

931de2b Kawasaki Er 500 Wiring Diagram Wiring Resources
nathan-iz1704.changeip.com

Wrg 2228 Kawasaki 900 Stx Wiring Diagram
andrewbestcollections-070820.mx.tl

Igniter Vn1500 Vulcan Kawasaki
www.regulatorrectifier.com

2001 Kawasaki Vulcan 1500 Wiring Diagram Picture Diagram Base
polardiagram.lespierresdexcellence.fr

Kawasaki Vulcan 2000 Wiring Diagram Diagram Base Website Wiring
diagrambrain.ambasciatadelmare.it

Quantum Electric Fuel Pump For Kawasaki Voyager Xii Zg1200 1987
www.highflowfuel.com

2001 Kawasaki Vulcan 1500 Wiring Diagram Free Picture Diagram Base
kneepaindiagram.erlampang.com

Wiring Diagram For 1999 Kawasaki Vulcan 1500 Drifter 52 2004 Specs
www.paratamoto.com

Kawasaki Vulcan 1500 Wiring Diagram Diagram Base Website Wiring
hrdiagramsun.tassanare.it

Kawasaki Chassis Electrical Equipment Vulcan 1500 Classic Vn1500d
www.bikebandit.com

Oem Generator Kawasaki Motorcycle Vn 1500 E Vulcan 1500
goparts.eu

Ram 1500 Wiring Diagram Schematic Diagram Base Website Diagram
printablevenndiagram.lokale-buendnisse-fuer-familien.de

Wiring Diagram For 1998 Pontiac Bonneville Diagram Base Website
fishbonediagramnursing.icpertiniovada.it

Tear It Up Fix It Repeat If Your 1500 Vulcan Won T Start
tearitupfixitrepeat.blogspot.com

8db 2001 Kawasaki Vulcan 1500 Wiring Diagram Wiring Resources
genesis-yc2302.ddns.mobi

I Have Had The Regulator Checked Out By Someone I Trust And Was
www.justanswer.com

2012 Kawasaki Vn900 Wiring Diagram Diagram Base Website Wiring
deven.viapac.eu

Tear It Up Fix It Repeat Vulcan 1500 1600 Headlight Problems
tearitupfixitrepeat.blogspot.com

Mm 1552 Kawasaki En500 Wiring Diagram Schematic Wiring
bios.attr.menia.ehir.amenti.xolia.nful.mohammedshrine.org

Ignition Switch
jobear2.com

Sc 2552 Coolant Hose Diagram Vulcan 1500 E Free Diagram
itive.rect.mohammedshrine.org

2010 Kawasaki Wiring Diagrams Diagram Base Website Wiring Diagrams
ringdoorbellwiringdiagram.veronaland.it

Kawasaki Vulcan 2000 Wiring Diagram Diagram Base Website Wiring
diagrambrain.ambasciatadelmare.it

2011 Camry Fuse Box Diagram Base Website Fuse Box
wiringdiagramonline-info.daliladilazzaro.it

5a6fa 98 Kawasaki Zx6r Wiring Diagram Wiring Resources
hunter-sl1503.changeip.com

1998 Kawasaki Vulcan 1500 Classic Vn1500 E1 Chassis Electrical
www.kawasakipartshouse.com

Ram 1500 Wiring Diagram Schematic Diagram Base Website Diagram
printablevenndiagram.lokale-buendnisse-fuer-familien.de

Vn800 Wiring Diagram Kawasaki Vulcan Forum
www.vulcanforums.com

Https Encrypted Tbn0 Gstatic Com Images Q Tbn 3aand9gcq M2hkxvpx 5cnk5n8drhishvrpe Fqzatq1fstj8jxegykb9y Usqp Cau
encrypted-tbn0.gstatic.com

1998 2004 Kawasaki Vulcan Classic E1 E7 Clymer Repair Manual M471
www.sixity.com

2001 Kawasaki Vulcan 1500 Wiring Diagram Schematic Diagram Base
heartdiagrambloodflow.kulturlabskaus.de

Wiring Diagram For 1998 Pontiac Bonneville Diagram Base Website
fishbonediagramnursing.icpertiniovada.it

Kawasaki Vn1500a12 Vulcan 1500 1998 Usa California Parts Lists And
www.cmsnl.com

Tear It Up Fix It Repeat Vulcan 1500 1600 Headlight Problems
tearitupfixitrepeat.blogspot.com

Radio Wire Diagram 2003 Ford F450 Diagram Base Website Ford F450
fishbonediagramlabs.tausendschoen-schnaittach.de

Wiring Diagram Mazda 3 Epub Pdf
ldmin-ggn.thehackneyhive.com

Jeep Cj5 Wiring Diagram 1997 Diagram Base Website Diagram 1997
visiosequencediagram.killygrind.fr

Diagram Kawasaki Vn 800 Wiring Diagram Wiring Diagram
f0323cde4f4202b16548e88480299aae.diagramaesnmkfijp.diagramumstqrpdyg.diagrambymkasgznj.51615504c58647ee05dda097b0a97fc1.diagramukricnebod.4225b10efa75de67b2cd33125e57a179.ingenac.fr

Front Turn Signal Wires Kawasaki Motorcycle Forums
www.kawasakimotorcycle.org

Kawasaki Vulcan 1500 Wiring Diagram Image Details
motogurumag.com

Kawasaki Vulcan 2000 Wiring Diagram Diagram Base Website Wiring
diagrambrain.ambasciatadelmare.it

Bmw Motorcycle R1150rt Wiring Diagrams Diagram Base Website Wiring
thebraindiagram.killygrind.fr

Fixed A Intermittent No Start 1500 Vulcan Youtube
www.youtube.com

02e1c6f Wiring Diagram Kawasaki Vulcan 1500 Wiring Library
standingby.redbull.com

Download Clymer Suzuki 1500 Intruder Boulevard C90 1998 2007
www.dailymotion.com

1998 Kawasaki Vulcan 1500 Vn1500 A12 Air Cleaner Babbitts
www.kawasakipartshouse.com

Kawasaki Nomad 1500 Wiring Diagram Diagram Base Website Wiring
hamletplotdiagram.ilsensodelgol.it

close