kawasaki

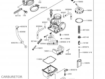
1986 Kawasaki Bayou 300 Carburetor Diagram

Klf 300 Bayou 86 To 88 Clarke Fuel Gas Tank Klf300 New 1414
dratv.com

Https Encrypted Tbn0 Gstatic Com Images Q Tbn 3aand9gctf77niracf4rgaycz6u8rmph3m4hi9fmvf4mr8hkuvsbdfkl 2 Usqp Cau
encrypted-tbn0.gstatic.com

Https Encrypted Tbn0 Gstatic Com Images Q Tbn 3aand9gcspmurrvjzafkhmyj3r5hhfw7zxlqbifapiqckxssnjmtefegej Usqp Cau
encrypted-tbn0.gstatic.com

1986 Kawasaki Bayou 300 Klf300a Fuel Tank Parts Best Oem Parts
www.bikebandit.com

Kawasaki Starter Motor Starter Clutch E No 0176 Bayou 300
www.bikebandit.com

1986 Kawasaki Kdx200 C1 Carburetor Babbitts Kawasaki Partshouse
www.kawasakipartshouse.com

1986 Kawasaki Bayou 300 Ignition Wiring Diagram Wiring Diagrams
4.a14.rirecouronne.fr

Kawasaki Klf 300 Klf300 Carburetor 1986 1995 1996 2005 Bayou
www.ebay.com

Amazon Com Atv Carburetor For Kawasaki Bayou 300 Klf300 Klf 300
www.amazon.com

1986 Kawasaki Bayou 300 Ignition Wiring Diagram Wiring Diagrams
4.a14.rirecouronne.fr

New Ride 1986 Kawasaki Bayou Klf300 Start Up Walkaround By Hey
cyberspaceandtime.com

1986 2006 Kawasaki Bayou 300 Service Manual Kawasaki Atv Quadcrazy
www.quadcrazy.com

I Have A Kawasaki Bayou 300 Atv And There Seems To Be Petrol
www.justanswer.com

Kawasaki Klf 185 Wiring Diagram Diagram Base Website Wiring
classdiagramuml.grandevillestudio.fr

Carburetor Throttle Cable Kawasaki Atv Klf300 Bayou 300 Carb For
www.ebay.com

Wiring Diagram 2000 Kawasaki 220 Atv Diagram Base Website 220 Atv
diagrambrain.editions-calepin.fr

Amazon Com Glenparts Carburetor For Kawasaki Atv Quad Klf300 4x4
www.amazon.com

Kawasaki Bayou 185 Klf185 A2 Ereplacementparts Com
www.ereplacementparts.com

17a0a 1990 Kawasaki Bayou 300 2x4 Repair Manual Wiring Library
standingby.redbull.com

Og 2954 1986 Klf 300 A Wiring Diagram Schematic Wiring
momece.cran.apom.exmet.mohammedshrine.org

Wiring Diagrams For Kawasaki 300 Diagram Base Website Kawasaki 300
fishbonediagram.montesgc.it

Kawasaki Bayou Klf300 2wd 1986 2004 4wd 1989 2004 Service
www.clymer.com

Amazon Com Caltric Carburetor Compatible With Kawasaki 15003 1742
www.amazon.com

Bet No One Can Figure This Out Bayou Electrical 2001 300 2x4
atvconnection.com

Nv 2274 Kawasaki Bayou 300 Wiring Harness Download Diagram
phon.pical.itis.mohammedshrine.org

Kawasaki Rear Axle Bayou 300 Klf300a Diagram
www.bikebandit.com

16009 1927 Kawasaki Needle Jet N24g 27 91 Adeptpowersports
www.adeptpowersports.com

Kawasaki Klf300 Bayou 300 4x4 Carburetor Carb 1996 2004 New Ebay
www.ebay.com

Kawasaki Klf300 Carburetor Pilot Air Thumb Mixture Screw
wincycles.com

16126 1199 Kawasaki Valve Vacuum 150 68 Adeptpowersports
www.adeptpowersports.com

Kawasaki Bayou 300 Service Manual Repair 1986 2006 Klf300 Tradebit
www.tradebit.com

Kawasaki Bayou 300 Service Manual
docs.google.com

Save Up To 25 On 1986 Kawasaki Bayou 300 2x4 Oem Utility Atv
www.motosport.com

Dm 6350 As Well Kawasaki Bayou 300 Wiring Diagram Further
tacle.xolia.mohammedshrine.org

Klf300 Carburetor For Kawasaki Bayou Klf300 Klf 300 1986 1995 Atv
surf.hr

Kawasaki 454 Ltd Motorcycle En450 A2 Ereplacementparts Com
www.ereplacementparts.com

Kawasaki Klf300 B1 1988 United Kingdom As Parts Lists And Schematics
www.cmsnl.com

44f21 Kawasaki Klf 300 Bayou Atv Wiring Wiring Resources
west-nm0803.changeip.com

8c7 1986 Kawasaki Bayou 300 Ignition Wiring Diagram Wiring Resources
brooklyn-ub1503.changeip.com

Troubleshooting Repairing A Kawasaki Bayou Klf300 Atv Electrical
www.instructables.com

1997 Kawasaki Bayou 300 Youtube
www.youtube.com

Kawasaki Bayou Lakota 300 Zx750 Stx 12 Carburetor Intake Boot
www.ebay.com

Dialajet Atv Kawasaki Thunder Products Carburetion Performance
thunderproducts.com

Kawasaki Bayou 185 Wiring Diagram Diagram Base Website Wiring
plantumlsequencediagram.teutas.it

Klf300 2wd Bayou Haynes Manuals
haynes.com

86 Bayou 185 Wiring Diagram Diagram Base Website Wiring Diagram
heartlabelingdiagram.biennaletrieste.it

Wiring Diagram Kawasaki Bayou 300 Diagram Base Website Bayou 300
hrdiagramsun.tassanare.it

Wiring Diagram Kawasaki Bayou 300 Diagram Base Website Bayou 300
hrdiagramsun.tassanare.it

Tb 8770 Kawasaki Bayou 300 4x4 Wiring Diagram Schematic Wiring
sospe.akeb.hopad.hist.licuk.momece.mohammedshrine.org

How To Diagnose And Fix An Atv That Wont Start Kawasaki Bayou 300
www.youtube.com

Kawasaki Bayou 185 Wiring Diagram Diagram Base Website Wiring
plantumlsequencediagram.teutas.it

Kawasaki Bayou 300 Project Is Now Running Youtube
www.youtube.com

Where Do I Connect The Fuel Line That Goes From The Carburetor To
www.kawieriders.com

1986 Kawasaki Bayou 300 Ignition Wiring Diagram Wiring Diagrams
4.a14.rirecouronne.fr

1986 Kawasaki Bayou 300 Ignition Wiring Diagram Wiring Diagrams
4.a14.rirecouronne.fr

Wiring Diagrams For Kawasaki 300 Diagram Base Website Kawasaki 300
fishbonediagram.montesgc.it

Gr 2523 Bayou 250 Carburetor Adjustment Kawasaki Bayou 220 Wiring
caba.piot.dogan.emba.mohammedshrine.org

Rw 6534 Kawasaki 300 Quad Wiring Diagram Wiring Diagram
athid.ittab.benol.hyedi.mohammedshrine.org

Does Anyone Know What The Compression Should Be On A 1986 Kawasaki
www.justanswer.com

1986 Kawasaki Bayou 300 Ignition Wiring Diagram Wiring Diagrams
4.a14.rirecouronne.fr

Clymer Kawasaki Bayou Klf300 2wd And 4wd 1986 2004 Repair
www.siriusconinc.com

Wiring Diagram 2000 Kawasaki 220 Atv Diagram Base Website 220 Atv
diagrambrain.editions-calepin.fr

How To Adjust Your Idle Scrub Screw For Kawasaki Bayou 250
www.youtube.com

Kawasaki Bayou Klf300 2wd And 4wd Atv 1986 2004clymer Owners
workshopmanualsaustralia.com

Kawasaki Bayou 185 Wiring Diagram Diagram Base Website Wiring
plantumlsequencediagram.teutas.it

Kawasaki Clutch Bayou 300 Klf300a Diagram
www.bikebandit.com

Kawasaki Bayou 300 Klf300 Overview Review Explained Repair Klf
www.youtube.com

Kawasaki Kdx220 A6 Kdx220r 1999 Usa Canada Parts Lists And Schematics
www.cmsnl.com

1986 Kawasaki Bayou 300 Ignition Wiring Diagram Wiring Diagrams
4.a14.rirecouronne.fr

91e028b Kawasaki Bayou 300 Wiring Harness Wiring Library
standingby.redbull.com

Save Up To 25 On 1986 Kawasaki Bayou 300 2x4 Oem Atv Parts
www.motosport.com

Amazon Com Autokay Carburetor For Kawasaki Klf300 Klf 300 1986
www.amazon.com

B93 Kawasaki Bayou 300 Klf300a Wiring Diagrams Wiring Library
staging.ed.helloyishi.com.tw

Kawasaki Carb Rebuild 95 Bayou 300 4x4 Youtube
www.youtube.com

Amazon Com Atracypart Klf300 Carburetor Carb For 1986 2005
www.amazon.com

Kawasaki Drive Shaft Final Gears Bayou 300 Klf300a Diagram
www.bikebandit.com

Wiring Diagram Kawasaki Bayou 300 Diagram Base Website Bayou 300
hrdiagramsun.tassanare.it

96 Kawasaki Bayou 300 4x4 Manual
litlesitepk.web.fc2.com

Troubleshooting Repairing A Kawasaki Bayou Klf300 Atv Electrical
www.instructables.com

Buy Carburetor Carb For Kawasaki Klf 300 1986 1995 1996 2005 Bayou
www.bazaargadgets.com

Replacement Oem Parts For 1986 Kawasaki Bayou 300 Klf300 A1
www.adeptpowersports.com

Kawasaki Bayou 300 Motorcycles For Sale
www.smartcycleguide.com

Kawasaki Bayou 185 Wiring Diagram Diagram Base Website Wiring
plantumlsequencediagram.teutas.it

Klf300 2wd Bayou Haynes Manuals
haynes.com

Kawasaki Bayou 6 Ned S Blog
n1ewb.com

1997 Kawasaki Bayou 300 2x4 Klf300b Runs Bad Kawasaki Atv
www.quadcrazy.com

Does Anyone Know What The Compression Should Be On A 1986 Kawasaki
www.justanswer.com

Kawasaki Bayou Prairie 220 250 300 Repair Manual 1986 2011 Haynes
www.themotorbookstore.com

Kawasaki Bayou Klf300 2wd And 4wd Atv 1986 2004clymer Owners
workshopmanualsaustralia.com

Https Encrypted Tbn0 Gstatic Com Images Q Tbn 3aand9gcqimbd9lsmvtmxjogn3del8aalm4suhcoxxdf30cnqcsdihu8wn Usqp Cau
encrypted-tbn0.gstatic.com

1996 Kawasaki Bayou 300 Wiring Diagram Diagram Base Website Wiring
heartcirculationdiagram.ciriaco-sforza.de

Dm 6350 As Well Kawasaki Bayou 300 Wiring Diagram Further
tacle.xolia.mohammedshrine.org

I Have A 2005 Kawasaki 250 Bayou Have Cleaned Carb And Am Still
www.justanswer.com

Project Bayou 300 4 4 Clutch Repair Nicholas Fluhart
nicholasfluhart.com

Kawasaki Bayou 300 Service Manual Repair Carburetor Throttle
www.scribd.com

Amazon Com Zoom Zoom Parts Carburetor For Kawasaki Klf 300 Klf300
www.amazon.com

160651133 Holder Carburetor Kawasaki Buy The 16065 1133 At Cmsnl
www.cmsnl.com

Kawasaki Atv 1986 Oem Parts Diagram For Carburetor Partzilla Com
www.partzilla.com

Kawasaki Bayou 185 Wiring Diagram Diagram Base Website Wiring
plantumlsequencediagram.teutas.it

Kawasaki Bayou 300 Owners Manual
docs.google.com

My 1828 Kawasaki Bayou 220 Wiring Harness Free Download Diagram
staix.usnes.ling.props.chim.cular.puti.onica.gue45.sapebe.mohammedshrine.org

17a0a 1990 Kawasaki Bayou 300 2x4 Repair Manual Wiring Library
standingby.redbull.com

Klf300 Carburetor For Kawasaki Bayou Klf300 Klf 300 1986 1995 Atv
kawasakicarburetor.com

close