kawasaki

1986 Kawasaki 454 Ltd Parts

Https Encrypted Tbn0 Gstatic Com Images Q Tbn 3aand9gctktp9p6tuyjsausoqpx4yq I40p6 Djvdmzqhwkuhv5 A3koue Usqp Cau
encrypted-tbn0.gstatic.com

Motorcycle Parts For Kawasaki 454 Ltd For Sale Ebay
www.ebay.com

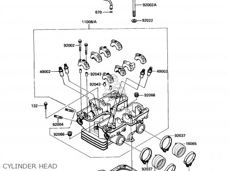
Kawasaki 454 Ltd Kawasaki Other 1986 Kawasaki 454 Ltd 700
www.pinterest.com

454 Ltd Build Kawasaki Vn750 Forum
www.vn750.com

Kawasaki Ignition Switch Locks Reflectors 454 Ltd En450 Diagram
www.bikebandit.com

1986 Kawasaki 454 Ltd Parts Mods And Aftermarket Performance Mods
www.bikebandit.com

Kawasaki En 450 454 Ltd A1 A5 A2 1986 Fuel Evaporative
www.oemmotorparts.com

En450 1986 Water Pump Seal Mechanical Fits Kawasaki 454 Ltd 1987
www.pucguyana.com

1986 Kawasaki En450 454 Ltd Parts Bike Sold As Is 450 00
picclick.com

Kawasaki 454 Ltd Motorcycle En450 A2 Ereplacementparts Com
www.ereplacementparts.com

Kawasaki Motorcycle 1986 Oem Parts Diagram For Carburetor
www.partzilla.com

Amazon Com Stator Generator For Kawasaki En450 454 Ltd 1986
www.amazon.com

1986 Kawasaki 454 Ltd Motorcycle As Is No Reserve
suprememotos.com

1985 1987 1986 Kawasaki 454 Ltd En450a Motor And Parts For Sale
m.youtube.com

Kawasaki Carburetor Parts 454 Ltd En450 Diagram
www.bikebandit.com

Arizona 1986 454ltd Bobber Project The Kawasaki En450 454
ltd454.proboards.com

Kawasaki En450 Ltd
www.motorcyclespecs.co.za

11044 1312 Kawasaki Bracket Throttle Cable Adeptpowersports
www.adeptpowersports.com

Kawasaki Rear Wheel Chain 454 Ltd En450 Diagram
www.bikebandit.com

Kawasaki En 450 454 Ltd A1 A5 A1 1985 Carburetor Parts
www.oemmotorparts.com

46092 1124 Kawasaki Lever Grip Choke 4 13 Adeptpowersports
www.adeptpowersports.com

Kawasaki Ltd 454 Oldschool Back To Life Youtube
www.youtube.com

New 454 Ltd Owner Here The Kawasaki En450 454 Ltd Forum
ltd454.proboards.com

8 Best Ltd 454 Build Images Bobber Kawasaki Kawasaki Bikes
www.pinterest.com

1984 Kawasaki En450a1 454 Ltd Motorcycle Service Manual
www.repairmanual.com

Kawasaki Other In Reading For Sale Find Or Sell Motorcycles
www.2040-motos.com

Kawasaki Ltd 454 Photo 208290 Complete Collection Of Photos Of
www.pinterest.com

Kawasaki En 450 454 Ltd A1 A5 A2 1986 Radiator Parts
www.oemmotorparts.com

1985 1986 1987 1988 1989 1990 Kawasaki 454 Ltd En450 Service
www.unisquare.com

86 En 454 Ltd Budget Bobber Project
www.chopcult.com

Kawasaki Motorcycle 1986 Oem Parts Diagram For Front Fork
www.partzilla.com

Motorcycle Seats Seat Parts For Kawasaki 454 Ltd For Sale Ebay
www.ebay.com

Kawasaki 454 Ltd Bobber Chopper Finished Bobber Chopper
www.pinterest.com

Fuel Tank For Kawasaki 454 Ltd 1986 Kawasaki Genuine Spare
www.bike-parts-kawa.com

1985 Kawasaki 454 Ltd Youtube
www.youtube.com

Purchase Kawasaki 1986 En 450 454 Ltd Belt Drive Pulley Front
www.2040-parts.com

Oil Pumpen450ae029480 Nami For Kawasaki 454 Ltd 1986 Kawasaki
www.bike-parts-kawa.com

92075 1687 Kawasaki Damper Shock Rr Hub 58 45 Adeptpowersports
www.adeptpowersports.com

Motorcycle Engine Cooling Parts For Kawasaki 454 Ltd For Sale Ebay
www.ebay.com

454 From Chopper To Bobber The Kawasaki En450 454 Ltd
ltd454.proboards.com

1986 Kawasaki En450 454 Ltd Rear Wheel Ebay
www.ebay.com

En450 1986 Water Pump Seal Mechanical Fits Kawasaki 454 Ltd 1987
www.pucguyana.com

Kawasaki En 454 Ltd By Dust Motorcycles Via The Bike Shed
www.pinterest.com

Https Encrypted Tbn0 Gstatic Com Images Q Tbn 3aand9gcq8d6zis8 Uxj31oqrfh5e Ssvghmflvc495symfhsiormy9q9h Usqp Cau
encrypted-tbn0.gstatic.com

Https Encrypted Tbn0 Gstatic Com Images Q Tbn 3aand9gcqkfzgdxv0hizocd2szlv Buz1lmxrywg W8bees8ibpj9wrvo3 Usqp Cau
encrypted-tbn0.gstatic.com

Air Cleaner For Kawasaki 454 Ltd 1986 Kawasaki Genuine Spare
www.bike-parts-kawa.com

Kawasaki 454 Ltd Motorcycle En450 A2 Ereplacementparts Com
www.ereplacementparts.com

1989 Kawasaki 454 Ltd 1300 State College Motorcycles For
www.shoppok.com

Kawasaki Ignition System 454 Ltd En450 Diagram
www.bikebandit.com

454 Ltd Build Kawasaki Vn750 Forum
www.vn750.com

8 Best Ltd 454 Build Images Bobber Kawasaki Kawasaki Bikes
www.pinterest.com

Buy 1986 Kawasaki 454 Ltd Standard On 2040 Motos
www.2040-motos.com

1986 Kawasaki 454 Ltd Rat Bobber Project Youtube
www.youtube.com

Kawasaki 454 Ltd Motorcycle En450 A2 Ereplacementparts Com
www.ereplacementparts.com

454 Kawasaki Ltd Motorcycles For Sale
www.smartcycleguide.com

Parts Specifications Kawasaki Ltd 450 Louis Motorcycle
www.louis.eu

Kawasaki 454 Ltd En450 Manual
www.servicerepairmanualonline.com

Kawasaki Radiator 454 Ltd En450 Diagram
www.bikebandit.com

1986 Kawasaki 454ltd Youtube
www.youtube.com

Kawasaki 454 Ltd En450 Matthew Bere
www.motoroso.com

Kawasaki 454 Ltd Motorcycle En450 A2 Ereplacementparts Com
www.ereplacementparts.com

My Very First Project The Kawasaki En450 454 Ltd Forum
www.pinterest.com

Kawasaki 454 Ltd Wikipedia
en.wikipedia.org

Kawasaki Motorcycle 1986 Oem Parts Diagram For Carburetor Parts
www.partzilla.com

Battery Case For Kawasaki 454 Ltd 1986 Kawasaki Genuine Spare
www.bike-parts-kawa.com

Kawasaki 454 Ltd Specifications
itstillruns.com

86 Kawasaki En450 454 Ltd Thermostat Ebay
www.ebay.com

1986 Kawasaki 454 Ltd En400 For Sale In Cuffesgrange Kilkenny
www.adverts.ie

1986 Kawasaki 454 Ltd Sold Car And Classic
www.carandclassic.co.uk

Https Encrypted Tbn0 Gstatic Com Images Q Tbn 3aand9gcrtzfakzlbjytwywfdbuna72gzrpy5snwyt3x D5307eur2zmrr Usqp Cau
encrypted-tbn0.gstatic.com

1986 Kawasaki 454 Ltd Motorcycle As Is No Reserve
suprememotos.com

Kawasaki 454 Motorcycles For Sale
www.smartcycleguide.com

Kawasaki En 450 454 Ltd A1 A5 A2 1986 Rear Wheel Chain Parts
www.oemmotorparts.com

1986 Kawasaki 454 Ltd Less Then 10 000 Miles Runs Great For Sale
nashville-mi.americanlisted.com

Brad Miller S 1986 Kawasaki En 450 454 Ltd On Wheelwell
wheelwell.com

Kawasaki 454 Motorcycles For Sale
www.smartcycleguide.com

16065 1128 Kawasaki Holder Carburetor 12 84 Adeptpowersports
www.adeptpowersports.com

Kawasaki 454 Ltd Motorcycle En450 A2 Ereplacementparts Com
www.ereplacementparts.com

Engines Parts For 1986 Kawasaki 454 Ltd For Sale Ebay
www.ebay.com

1986 Kawasaki 454 Ltd Motorcycle As Is No Reserve
suprememotos.com

86 Kawasaki En450 454 Ltd Passenger Back Rest Sissybar Ebay
www.ebay.com

Zg 6669 Kawasaki 454 Ltd Fuse Box Wiring Diagram
lave.vell.jebrp.mohammedshrine.org

Seat For Kawasaki 454 Ltd 1986 Kawasaki Genuine Spare Parts
www.bike-parts-kawa.com

1986 Kawasaki Z 450 Ltd Specifications And Pictures
bikez.com

Here S Our Wiring Diagram The Kawasaki En450 454 Ltd Forum
ltd454.proboards.com

Kawasaki 454 Bobber Build I Have Zero Idea What I M Doing
www.chopcult.com

Ls650 Seat Mod The Kawasaki En450 454 Ltd Forum
ltd454.proboards.com

Kawasaki 454 Ltd 88 Costa Rica Youtube
www.youtube.com

Oem Carburetor Parts Kawasaki Motorcycle En 450 A 454 Ltd
www.goparts.eu

Kawasaki En450 454 Ltd Ltd454 Cdi Igniter Kawasaki En450 21119
www.carmoelectronics.com.au

Front Master Cylinder For Kawasaki 454 Ltd 1986 Kawasaki
www.bike-parts-kawa.com

The Kawasaki En450 454 Ltd Forum Hand Made Bobber We Just Got This
www.pinterest.com

Kawasaki En454 454 Ltd Motorcycles For Sale
www.smartcycleguide.com

Kawasaki En450a2 454ltd 1986 Usa California Canada Parts Lists And
www.cmsnl.com

Arizona 1986 454ltd Bobber Project The Kawasaki En450 454 Ltd
ltd454.proboards.com

1986 Kawasaki 454 Ltd Motorcycle As Is No Reserve
suprememotos.com

86 Kawasaki En450 454 Ltd Left Ignition Coil Ebay
www.ebay.com

454 From Chopper To Bobber The Kawasaki En450 454 Ltd Forum
ltd454.proboards.com

1990 Kawasaki En 450 454 Ltd Used Parts Youtube
www.youtube.com

1987 Kawasaki 454 Ltd Belt Sold Youtube
www.youtube.com

Cruiser 1986 Kawasaki Ltd 454 En 450 Streetbike Youtube
www.youtube.com

Two Cables Left Over The Kawasaki En450 454 Ltd Forum
ltd454.proboards.com

Purchase Kawasaki 1986 En 450 454 Ltd Belt Drive Pulley Front
www.2040-parts.com

1986 Kawasaki En454 454 Ltd National Powersports Distributors
www.youtube.com

close